Produk
Kumpulan Keselamatan Dandang
  • Kumpulan Keselamatan DandangKumpulan Keselamatan Dandang

Kumpulan Keselamatan Dandang

Dikenali sebagai salah satu pengeluar dan pembekal Kumpulan Keselamatan Dandang yang paling kompetitif, kami mengendalikan kilang kami sendiri dan menyediakan bukan sahaja produk terbaharu yang direka untuk spesifikasi moden tetapi juga senarai harga dan sebut harga terperinci. Kami komited kepada standard perkhidmatan yang komprehensif. Pra-Jualan:Pakar teknikal kami membantu anda memilih pemasangan yang betul dengan penyelesaian tersuai, spesifikasi, lukisan CAD dan pensijilan. Proses Pesanan: Kami memastikan transaksi lancar dengan komunikasi yang jelas, masa petunjuk yang disahkan dan penjejakan pesanan penuh dari pengeluaran hingga penghantaran. Selepas Jualan: Kepuasan jangka panjang anda adalah keutamaan kami, disokong oleh perlindungan waranti, bimbingan teknikal dan alat ganti tulen.

Kumpulan Keselamatan Dandang ialah pemasangan bersepadu dan kritikal yang direka untuk menyediakan perlindungan komprehensif dan kawalan operasi untuk sistem dandang air panas. Fungsi utamanya menggabungkan tiga mekanisme keselamatan penting: injap pelepas tekanan untuk melepaskan tekanan berlebihan secara automatik dan mencegah tekanan berlebihan yang melanda; tolok tekanan untuk pemantauan visual masa nyata tekanan sistem; dan injap gabungan unik yang menyepadukan fungsi tambahan seperti pengawalan aliran, injap sehala atau ciri injap isi untuk mengekalkan paras air yang selamat dan mencegah aliran balik. Unit bersepadu ini memastikan keselamatan sistem, kestabilan operasi dan pematuhan kod pemanasan yang ketat, melindungi daripada kerosakan dan keadaan berbahaya dalam pemasangan dandang komersial dan kediaman.


Ciri dan Aplikasi Produk

Kumpulan Keselamatan Dandang 1 ialah pemasangan perlindungan bersepadu untuk pemanasan autonomi dan sistem air panas domestik (DHW) (sehingga 10 bar). Ia menggabungkan tiga fungsi kritikal ke dalam satu badan loyang untuk memastikan kestabilan operasi.

Perlindungan Tekanan: Injap pelega keselamatan bersepadu mengeluarkan air secara automatik jika tekanan melebihi had yang ditetapkan, menghalang tangki atau paip pecah.

Penyingkiran Udara: Bolong udara automatik mengalirkan gas secara berterusan, menghalang "kunci udara," bunyi bising dan kakisan dalaman.

Pemantauan: Manometer terbina dalam menyediakan pengesanan visual masa nyata tekanan sistem.

Digunakan dalam pemanasan gelung tertutup dan sistem DHW, ia melindungi dandang dan pemanas air tidak langsung daripada pengembangan haba. Ia adalah penting untuk mengekalkan keselamatan di rumah persendirian dengan sumber haba gas, elektrik atau bahan api pepejal bebas.


Parameter Produk (Spesifikasi)

Spesifikasi Teknikal

Tekanan Nominal, MPa: 1.0

Tekanan Ujian, MPa: 1.5

Suhu Operasi dalam Talian Paip: sehingga +120 °C

Saiz Sambungan, inci: 1

Tekanan Tetapan Injap Keselamatan, bar: 3.0

Tekanan Sederhana Operasi Minimum, bar: 0.05


Komposisi Bahan

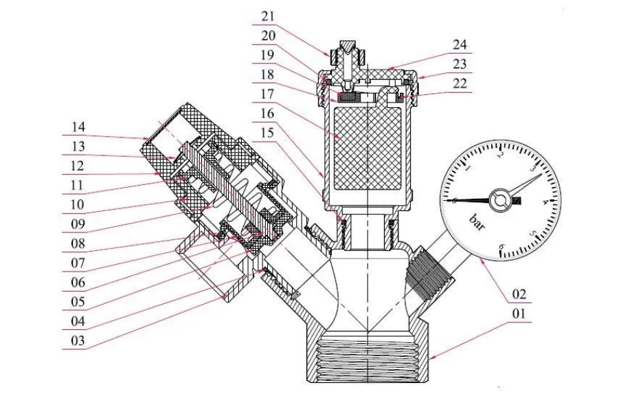
Boiler Safety Group

Tidak.

Nama Bahagian

bahan

Tidak.

Nama Bahagian

bahan

1

Badan

Tembaga HPb59-1

13

Cincin Penahan

Keluli

2

Tolok Tekanan

Keluli

14

Pencuci

aluminium

3

Badan Injap

Tembaga HPb59-1

15

Cincin Pengedap

EPDM

4

Gasket

EPDM

16

Cincin Pengedap

Tembaga HPb59-1

5

Gasket

EPDM

17

Terapung

NYLON

6

Spool / Palam Injap

Tembaga HPb59-1

18

cangkuk

NYLON

7

Pencuci Rata

POM

19

Penyambung

EPDM

8

Gasket

Asbestos

20

Cincin Pengedap

EPDM

9

Musim bunga

Keluli Tahan Karat S.S304

21

Cap

Tembaga HPb59-1

10

Penutup Injap

Plastik Hitam

22

Musim bunga

Keluli Tahan Karat S.S304

11

Melaraskan Kacang

Plastik Hitam

23

Muka Depan

Tembaga HPb59-1

12

Muka Depan

POM

24

Penutup

NYLON


Dimensi Produk

Boiler Safety Group


Prinsip Kerja

Boiler Safety Group 1 berfungsi sebagai "anjing pemerhati" automatik untuk sistem pemanasan anda. Selepas pentauliahan, bolong udara automatik dengan serta-merta mula membersihkan gas terperangkap untuk memastikan peredaran yang cekap dan mengelakkan kakisan.


Semasa operasi biasa, manometer menyediakan diagnostik yang berterusan: bacaan rendah mencadangkan kebocoran atau kegagalan tangki pengembangan, manakala bacaan tinggi memberi amaran tentang terlalu panas atau penjanaan wap. Dalam kecemasan, jika tekanan mencecah had 3 bar, injap keselamatan tercetus serta-merta, mengeluarkan cecair berlebihan untuk mengelakkan paip bencana atau pecah dandang.


Arahan pemasangan dan operasi

Lokasi: Pasang Kumpulan Keselamatan Dandang 1 terus di alur keluar penjana haba atau dandang.

Laluan Kosong: Pastikan tiada injap tutup dipasang pada paip antara Kumpulan Keselamatan dan unit yang dilindungi.

Orientasi: Pasang unit supaya bolong udara dan injap keselamatan menegak dengan sempurna. Letakkan tolok tekanan supaya mudah dilihat oleh operator.

Pemeriksaan Pra-Pemasangan: Sebelum pemasangan atau sebarang pengalihan, sahkan bahawa sistem saluran paip tertekan sepenuhnya.


Keperluan Operasi & Keselamatan

Had Operasi: Kendalikan Kumpulan Keselamatan hanya dalam julat suhu dan tekanan yang ditentukan (maks. 1.0 MPa / 10 bar) seperti yang dinyatakan dalam manual ini.

Penyelenggaraan Pencegahan: Untuk mengelakkan kili injap keselamatan daripada dirampas, uji injap secara manual sekurang-kurangnya sekali sebulan. Lakukan ujian ini dengan memutarkan pemegang injap mengikut arah jam sehingga bunyi klik yang berbeza kedengaran.

Mandat Keselamatan: Jangan sekali-kali menggunakan Kumpulan Keselamatan dalam sistem yang melebihi tekanan maksimum terkadarnya 1.0 MPa.



Teg Panas: China Boiler Safety Group Pengeluar dan Pembekal
Hantar Pertanyaan
Maklumat Hubungan
Jika anda mempunyai sebarang pertanyaan tentang petikan atau kerjasama, sila e-mel kepada kami di zchen@gentantvalves.com atau gunakan borang pertanyaan berikut. Wakil jualan kami akan menghubungi anda dalam masa 24 jam. Terima kasih kerana berminat dengan produk kami.
X
Kami menggunakan kuki untuk menawarkan anda pengalaman menyemak imbas yang lebih baik, menganalisis trafik tapak dan memperibadikan kandungan. Dengan menggunakan tapak ini, anda bersetuju dengan penggunaan kuki kami. Dasar Privasi
Tolak Terima